Скобы
Бренд:
ТЭМЗ
В наличии
СКД-30-1
цена по запросу
Заказать товар
Задать вопрос
Задать вопрос
Наша организация работает только с юридическими лицами, с НДС
Скоба СКД-30-1
Соединительные скобы являясь элементами сцепной арматуры, предназначены для шарнирного крепления гирлянд изоляторов и грозозащитных тросов к опорам воздушных линий передачи.Скобы представляют собой промежуточные элементы подвесок, обеспечивают поворот осей шарниров на 90 градусов.
Для образования шарнирного цепного соединения.
Скобы типа СК позволяют осуществить переход со скобы одного вида нагрузок на скобы соседнего (большего или меньшего) ряда нагрузок через цепное соединение.
Скобы типа СКД имеют увеличенную строительную высоту. Используются, когда скобы нормальной длины по какой либо причине применить невозможно.
Скобы должны соответствовать требованиям ТУ 3449-020-84716711-2009
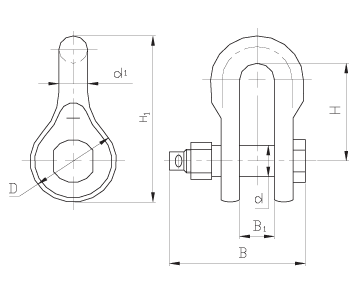
параметры СКД-30-1
| Марка скобы | Размеры, мм | Масса, кг | Разрушающая нагрузка Р, кН (т.с.), не менее | ||||||
| B | B1 | D | d | d1 | H | H1 | |||
| СК-30-1А | 130 | 38 | 73 | 36 | 28 | 100 | 164,5 | 2,96 | 300 (30) |
Задать вопрос
Оформите заявку на сайте, мы свяжемся с вами в ближайшее время и ответим на все интересующие вопросы.
Заявки принимаются так же по электронной почте info@lep-snab.ru
Заявки принимаются так же по электронной почте info@lep-snab.ru
Характеристики
| Цена | цена по запросу |
| Бренд | ТЭМЗ |
| Тип | скоба соединительная |
