Скобы
Бренд:
МЗВА, ТЭМЗ, ТЗВА
В наличии
СК-30-1А
цена по запросу
Заказать товар
Задать вопрос
Задать вопрос
Наша организация работает только с юридическими лицами, с НДС
Скоба СК-30-1А
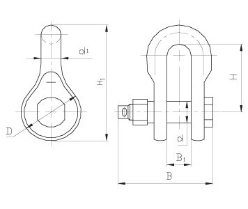
Скобы СК-30-1А представляют собой промежуточные элементы подвесок, обеспечивают поворот осей шарниров на 90 градусов. СК и СКД (скобы с цепным шарниром), СКТ (скобы трехлапчатые плоские)Для образования шарнирного цепного соединения.
Скобы типа СК позволяют осуществить переход со скобы одного вида нагрузок на скобы соседнего (большего или меньшего) ряда нагрузок через цепное соединение.
Скобы должны соответствовать требованиям ТУ 3449-020-84716711-2009
Характеристики
| Марка скобы | Размеры, мм | Масса, кг | Разрушающая нагрузка Р, кН (т.с.), не менее | ||||||
| B | B1 | D | d | d1 | H | H1 | |||
| СК-30-1А | 130 | 38 | 73 | 36 | 28 | 100 | 164,5 | 2,96 | 300 (30) |
Задать вопрос
Оформите заявку на сайте, мы свяжемся с вами в ближайшее время и ответим на все интересующие вопросы.
Заявки принимаются так же по электронной почте info@lep-snab.ru
Заявки принимаются так же по электронной почте info@lep-snab.ru
Характеристики
| Цена | цена по запросу |
| Бренд | МЗВА, ТЭМЗ, ТЗВА |
| Тип | скоба соединительная |
