Зажимы поддерживающие глухие типа ПГ
В наличии
ПГ-1-11
цена по запросу
Заказать товар
Задать вопрос
Задать вопрос
Наша организация работает только с юридическими лицами, с НДС
Зажим поддерживающий глухой ПГ-1-11
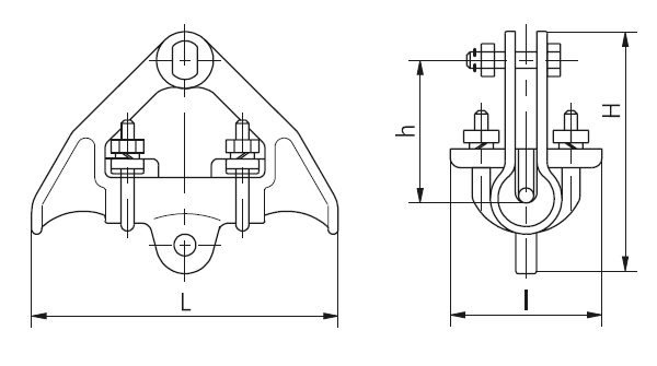
Зажим поддерживающий глухой ПГ-1-11 предназначен для крепления стальных канатов диаметром 11-13 мм к изолирующим подвескам на промежуточных и промежуточно-угловых опорах воздушных линий электропередачи.Характеристики ПГ-1-11
| Марка зажима | Диаметр, мм | Размеры, мм | Масса, кг | Разрушающая нагрузка, кН (т.с.), не менее | |||||
| Проводов по ГОСТ 839-80 | Канатов по ГОСТ 3062-80 3063-80 3064-80 | Провода марки ПС по ТУ 14-4-661-75 | L | H | A | d | |||
| ПГ-1-11 | - | 11,0-13,0 | - | 240 | 112 | 17 | 16 | 3,7 | 60 (6) |
Задать вопрос
Оформите заявку на сайте, мы свяжемся с вами в ближайшее время и ответим на все интересующие вопросы.
Заявки принимаются так же по электронной почте info@lep-snab.ru
Заявки принимаются так же по электронной почте info@lep-snab.ru
Характеристики
| Цена | цена по запросу |
