НБ-3-6А
НБ-3-6А
<h2> <span style="font-size: 14px; text-transform: uppercase;">НБ-3-6А</span></h2>
-
НБ-3-6А
НБ-3-6А
<h2> <span style="font-size: 14px; text-transform: uppercase;">НБ-3-6А</span></h2>
-
Зажимы болтовые
В наличии
НБ-3-6А
Заказать товар
Задать вопрос
Наша организация работает только с юридическими лицами, с НДС
Стоимость зависит от объема заказа и рассчитывается индивидуально
Самовывоз:
Москва, ул. Василия Петушкова, 3с12
Бесплатная доставка до терминала транспортной компании в Москве
Зажим натяжной болтовой НБ-3-6А
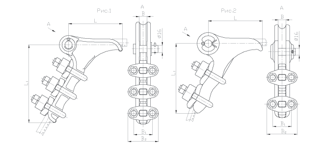
Предназначен для крепления алюминиевых, сталеалюминиевых, медных и защищенных проводов СИП-3, ПЗВ и ПЗВГ к натяжным изолирующим подвескам анкерных, анкерно-угловых и концевых опор. Корпус и прижимные плашки зажима изготавливаются из алюминиевого сплава для сокращения потерь от перемагничивания. Также не требуется применения алюминиевой прокладки для избежания повреждения провода. Требуется снятие изоляции с защищенных проводов в месте монтажа зажима. Производится по ТУ 3449-001-52819896-2010.
Параметры товара
|
Марка зажима
|
Рис.
|
Марка провода по ГОСТ 839-80
|
Прочность заделки провода, кН (т.с.), не менее
|
Размеры, мм
|
Разрушающая нагрузка Р, кН (т.с.), не менее
|
Масса, кг
|
|
B
|
B1
|
B2
|
L
|
L1
|
|
НБ-3-6А
|
1
|
А150
|
20,5 (2,088)
|
23
|
51
|
81
|
186
|
247
|
88,2 (9)
|
4,14
|
|
А185
|
25,3 (2,581)
|
|
А240
|
33,0 (3,367)
|
|
А300
|
39,8 (4,063)
|
|
М150
|
47,1 (4,808)
|
|
М185
|
61,4 (6,259)
|
|
М240
|
78,6 (8,012)
|
|
АС150/19
|
41,7 (4,250)
|
|
АС150/24
|
47,0 (4,798)
|
|
АС150/34
|
56,4 (5,749)
|
|
АС185/24
|
50,6 (5,162)
|
|
АС185/29
|
53,7 (5,473)
|
|
АС185/43
|
70,0 (7,137)
|
|
АС205/27
|
55,5 (5,666)
|
|
АС240/32
|
65,4 (6,668)
|
|
АС240/39
|
70,7 (7,212)
|
НБ-3-6А – корпус зажима изготовлен из алюминиевого сплава;
НБ-3-6Б – корпус зажима изготовлен чугуна с алюминиевой прокладкой;
НБ-3-6В – корпус зажима изготовлен из алюминиевого сплава.
Задать вопрос
Оформите заявку на сайте, мы свяжемся с вами в ближайшее время и ответим на все интересующие вопросы.
Заявки принимаются так же по электронной почте
info@lep-snab.ru
НБ-3-6А
<h2> <span style="font-size: 14px; text-transform: uppercase;">Зажим натяжной болтовой НБ-3-6А</span></h2>
Предназначен для крепления алюминиевых, сталеалюминиевых, медных и защищенных проводов СИП-3, ПЗВ и ПЗВГ к натяжным изолирующим подвескам анкерных, анкерно-угловых и концевых опор. Корпус и прижимные плашки зажима изготавливаются из алюминиевого сплава для сокращения потерь от перемагничивания. Также не требуется применения алюминиевой прокладки для избежания повреждения провода. Требуется снятие изоляции с защищенных проводов в месте монтажа зажима. Производится по ТУ 3449-001-52819896-2010. <br>
<br>
<h3> <span style="font-size: 14px; text-transform: uppercase;">Параметры товара</span></h3>
<table width="660px" cellspacing="1" cellpadding="5" border="1" align="center">
<thead>
<tr>
<td rowspan="2" align="center">
Марка зажима
</td>
<td rowspan="2" align="center">
Рис.
</td>
<td rowspan="2" align="center">
Марка провода по ГОСТ 839-80
</td>
<td rowspan="2" align="center">
Прочность заделки провода, кН (т.с.), не менее
</td>
<td colspan="5" align="center">
Размеры, мм
</td>
<td rowspan="2" align="center">
Разрушающая нагрузка Р, кН (т.с.), не менее
</td>
<td rowspan="2" align="center">
Масса, кг
</td>
</tr>
<tr>
<td align="center">
B
</td>
<td align="center">
B<sub>1</sub>
</td>
<td align="center">
B<sub>2</sub>
</td>
<td align="center">
L
</td>
<td align="center">
L<sub>1</sub>
</td>
</tr>
</thead>
<tbody>
<tr>
<td rowspan="16" align="center">
НБ-3-6А
</td>
<td rowspan="16" align="center">
1
</td>
<td align="center">
А150
</td>
<td align="center">
20,5 (2,088)
</td>
<td rowspan="16" align="center">
23
</td>
<td rowspan="16" align="center">
51
</td>
<td rowspan="16" align="center">
81
</td>
<td rowspan="16" align="center">
186
</td>
<td rowspan="16" align="center">
247
</td>
<td rowspan="16" align="center">
88,2 (9)
</td>
<td rowspan="16" align="center">
4,14
</td>
</tr>
<tr>
<td align="center">
А185
</td>
<td align="center">
25,3 (2,581)
</td>
</tr>
<tr>
<td align="center">
А240
</td>
<td align="center">
33,0 (3,367)
</td>
</tr>
<tr>
<td align="center">
А300
</td>
<td align="center">
39,8 (4,063)
</td>
</tr>
<tr>
<td align="center">
М150
</td>
<td align="center">
47,1 (4,808)
</td>
</tr>
<tr>
<td align="center">
М185
</td>
<td align="center">
61,4 (6,259)
</td>
</tr>
<tr>
<td align="center">
М240
</td>
<td align="center">
78,6 (8,012)
</td>
</tr>
<tr>
<td align="center">
АС150/19
</td>
<td align="center">
41,7 (4,250)
</td>
</tr>
<tr>
<td align="center">
АС150/24
</td>
<td align="center">
47,0 (4,798)
</td>
</tr>
<tr>
<td align="center">
АС150/34
</td>
<td align="center">
56,4 (5,749)
</td>
</tr>
<tr>
<td align="center">
АС185/24
</td>
<td align="center">
50,6 (5,162)
</td>
</tr>
<tr>
<td align="center">
АС185/29
</td>
<td align="center">
53,7 (5,473)
</td>
</tr>
<tr>
<td align="center">
АС185/43
</td>
<td align="center">
70,0 (7,137)
</td>
</tr>
<tr>
<td align="center">
АС205/27
</td>
<td align="center">
55,5 (5,666)
</td>
</tr>
<tr>
<td align="center">
АС240/32
</td>
<td align="center">
65,4 (6,668)
</td>
</tr>
<tr>
<td align="center">
АС240/39
</td>
<td align="center">
70,7 (7,212)
</td>
</tr>
</tbody>
</table>
<br>
<table cellspacing="0" cellpadding="0">
<tbody>
<tr>
</tr>
</tbody>
</table>
<div class="alert alert-danger">
НБ-3-6А – корпус зажима изготовлен из алюминиевого сплава; <br>
НБ-3-6Б – корпус зажима изготовлен чугуна с алюминиевой прокладкой; <br>
НБ-3-6В – корпус зажима изготовлен из алюминиевого сплава.<strong> </strong>
</div>
<br>