Зажимы аппаратные прессуемые типа 3А2АП, 3ААП, 4А6АП И 5А2АП
Под заказ
3ААП-500-1Т(Д)
цена по запросу
Заказать товар
Задать вопрос
Задать вопрос
Наша организация работает только с юридическими лицами, с НДС
Зажим аппаратный прессуемый 3ААП-500-1Т(Д)
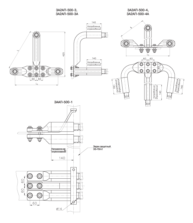
Предназначены для присоединения трех, четырех или пяти проводов к выводам аппаратов.Зажимы изготовлены ТУ 3449-021-84716711-2009
Исполнение зажима с применением технологии термодинамического нанесения медного слоя на контактную поверхность зажимов. Позволяет увеличить толщину покрытия, увеличить срок службы зажимов до 40 лет и значительно улучшить качества электрического контакта.
Буква «Д» в маркировке обозначает наличие дренажного отверстия.
характеристики 3ААП-500-1Т(Д)
| Марка зажима | Марка провода по ГОСТ 839-80 | Матрица опрессования | Размеры, мм | Масса, кг | |
| L | L1 | ||||
| 3ААП-500-1Т(Д) | ПА500 | А-59 | - | - | 10,00 |
| 3А2АП-500-3 | 400 | 400 | 10,90 | ||
| 3А2АП-500-3А | 8,30 | ||||
| 3А2АП-500-4 | 400 | 420 | 9,33 | ||
| 3А2АП-500-4А | 8,58 | ||||
| 5А2АП-500-1 | - | - | 32,70 | ||
| 4А6АП-640-1Б | ПА640 | А-74 | 530 | - | 27,00 |
Задать вопрос
Оформите заявку на сайте, мы свяжемся с вами в ближайшее время и ответим на все интересующие вопросы.
Заявки принимаются так же по электронной почте info@lep-snab.ru
Заявки принимаются так же по электронной почте info@lep-snab.ru
Характеристики
| Цена | цена по запросу |
