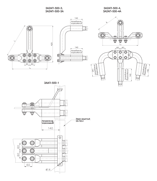
Зажимы аппаратные прессуемые типа 3А2АП, 3ААП, 4А6АП И 5А2АП
Под заказ
3А2АП-500-3
цена по запросу
Заказать товар
Задать вопрос
Задать вопрос
Наша организация работает только с юридическими лицами, с НДС
Зажим аппаратный прессуемый 3А2АП-500-3
Предназначены для присоединения трех, четырех или пяти проводов к выводам аппаратов.Зажимы изготовлены по ТУ 3449-021-84716711-2009
характеристики 3А2АП-500-3
Марка зажима
Марка провода по ГОСТ 839-80
Матрица опрессования
Размеры, мм
Масса, кг
L
L1
3ААП-500-1
ПА500
А-59
-
-
10,00
3А2АП-500-3
400
400
10,90
3А2АП-500-3А
8,30
3А2АП-500-4
400
420
9,33
3А2АП-500-4А
8,58
5А2АП-500-1
-
-
32,70
Задать вопрос
Оформите заявку на сайте, мы свяжемся с вами в ближайшее время и ответим на все интересующие вопросы.
Заявки принимаются так же по электронной почте info@lep-snab.ru
Заявки принимаются так же по электронной почте info@lep-snab.ru
Характеристики
| Цена | цена по запросу |
