Системы прокладки кабеля
Бренд:
РКС-Пласт
В наличии
ВКК-145/170
цена по запросу
Заказать товар
Задать вопрос
Задать вопрос
Наша организация работает только с юридическими лицами, с НДС
Кабельное крепление ВКК-145/170
Кабельные крепления предназначены для фиксации всех видов кабелей высокого и сверхвысокого напряжения однофазного исполнения. Конструкция крепления обеспечивает необходимые механические свойства, обеспечивающие надежное крепление кабелей и их неповреждаемость даже при протекании больших токов короткого замыкания. Изделие обладает стойкостью к атмосферным воздействиям, к воздействию масел и других нефтепродуктов, к солнечной радиации и ультрафиолетовому излучению, стойкостью к воздействию озона. Климатическое исполнение У, УХЛ, категории размещения 1 и 2 по ГОСТ 15150-69.Применяются при температуре окружающего воздуха от минус 60 до плюс 60°С и относительной влажности воздуха до 98 % при температуре плюс 25°С. Монтаж кабеля при помощи ВКК может проводиться к металлоконструкциям, имеющим любой угол наклона к горизонту. Допускается также по согласованию с производителем ВКК крепление кабеля путем подвеса под полкой. Изделия могут также применяться для строительства вертикальных участков кабельных трасс.
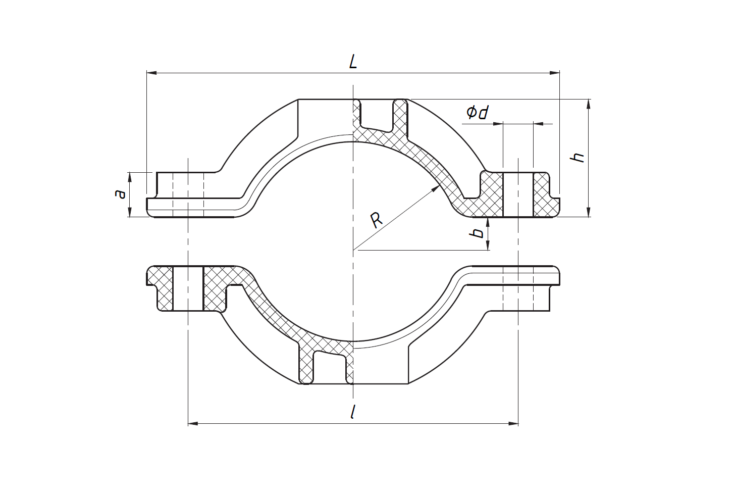
ТЕХНИЧЕСКИЕ ХАРАКТЕРИСТИКИ
| Тип | L | I | h | a | b | R | d | Масса |
|---|---|---|---|---|---|---|---|---|
| ВКК-145/170 | 250 | 214 | 91 | 19 | 14 | 85 | 18 | 0,630 |
Задать вопрос
Оформите заявку на сайте, мы свяжемся с вами в ближайшее время и ответим на все интересующие вопросы.
Заявки принимаются так же по электронной почте info@lep-snab.ru
Заявки принимаются так же по электронной почте info@lep-snab.ru
Характеристики
| Цена | цена по запросу |
| Бренд | РКС-Пласт |
| Размер | 145/170 |
